Bộ điều khiển nhiệt độ kỹ thuật số VX2 – hay còn gọi là đồng hồ điều chỉnh nhiệt kỹ thuật số Hanyoung VX là dòng sản phẩm với các chức năng đo đạc và điều khiển nhiệt độ. Được thiết kế mang lại khả năng tính toán chính xác, tốc độ nhanh. Bộ điều khiển nhiệt độ kỹ thuật số VX2 thường được ứng dụng phổ biến vào các lĩnh vực khác nhau như công nghiệp hóa chất, công nghiệp thực phẩm, các hệ thống điều hòa nhiệt độ, …
Bộ điều khiển nhiệt độ kỹ thuật số VX2 được thiết kế với kích thước nhỏ gọn, giúp tiết kiệm tối đa không gian lắp đặt trên mặt tủ và không gian làm việc, được sản xuất bởi Hanyoung Nux – một thương hiệu toàn cầu trong việc sản xuất, phân phối thiết bị điện công nghiệp – điện tự động hóa. Bộ điều khiển nhiệt độ kỹ thuật số VX2 đã và đang được thị trường Việt Nam ưa chuộng và tin dùng rộng rãi.
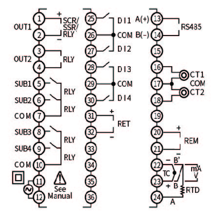
Sơ đồ đấu dây bộ điều khiển nhiệt độ kỹ thuật số VX2

Bảng thông số kỹ thuật của bộ điều khiển nhiệt độ kỹ thuật số VX2
| Classification | VX2 | VX2 | VX7 | VX9 | ||||
| Ngõ vào | Lọai Thermocouple | K, J, E, T, R, B, S, L, N, U, W, PLII | ||||||
| Tiếp điểm tham chiếu bù trừ | ±1.5 c (trong khoảng -10~50 c) | |||||||
| Loại RTD | JPT100, PT100 | |||||||
| Trở kháng đường dây cho phép | Trong khoảng 100 (nếu cảm biến 3 dây thì trở kháng giữa 3 dây phải giống nhau) |
|||||||
| Dòng điện / điện áp DC | 1~5 V (4~20 mA), 0~5 V, 0~10 V, 0~50 mV, 0~100 mV | |||||||
| Chu kỳ lấy mẫu | 50 ms | |||||||
| Ngõ ra | Ngõ ra Relay | • Công suất định mức :5A 250 VAC, 5 A 30 VDC • Công suất tối đa (tiếp điểm): 750 VA, 90 W • Điện áp tối đa (tiếp điểm): 250 VAC, 110 VDC • Dòng điện tối đa (tiếp điểm): 5 A • Số lần đóng – ngắt tối đa: 20 triệu lần |
||||||
| Ngõ ra SSR | Ngõ ra xung (điện áp): 12 V ± 1 VDC (Trở kháng tối thiểu tại Tải là 600Ω) |
|||||||
| Ngõ ra SCR | Ngõ ra tuyển tính (dòng điện), trở kháng trên tải tối đa: 600Ω ± 0.2% của FS ± 1 chữ số |
|||||||
| Điều khiển | Loại | Điều khiển ON/OFF, PID, 2DOF PID | ||||||
| Hoạt động ngõ ra | Ngược (REV), Thuận (DIR) | |||||||
| Bộ phận hiển thị | Loại màn hình | Màn hình LCD | ||||||
| Ký tự PV (H * W) mm |
(20.5 x 6.9) | (15.2 x 6.8) | (19.8 x 9.3) | (29.0 x 13.6) | ||||
| Ký ti/ SV (H * W) mm |
(12.8 x 5.9) | (7.4 x 3.9) | (10.2 x 4.9) | (15.0 x 7.2) | ||||
| Ký tự MV (H * W) mm |
(9.3 x 4.4) | – | (7.5 x 3.3) | (11.0 x 4.8) | ||||
| Bộ nhớ | Bộ lưu trữ khi không điện | Không khóa EEPROM: khi cài đặt E2P.L: OFF trong G.SET Khóa EEPROM: khi cài đặt E2P.L: ON trong G.SET Số lần ghi EEPROM: khoang 1 triệu lần ghi |
||||||
| Cổng truyền thông USB | Phương thức truyền thông | UMS 2.0 | ||||||
| Khung truyền | • Protocol : PC -LINK • Baudrate : 38400 bps • Start bit : 1 bit • Data bit : 8bit • Parity bit : None • Stop bit : 1bit |
|||||||
| Khoảng cách truyền thông | Không vượt quá 5 m | |||||||
| Tùy chọn thêm | Ngõ ra cảnh báo (Relay) | 1~ 4 tiếp điểm, công suất đóng ngắt: 5A 250 VAC – 5A 30 VDC | ||||||
| DI | 2 hoặc 4 tiếp điểm | |||||||
| Ngõ ra chuyển đổi | Ngõ ra dòng điện tuyến tính Trở kháng tải: tối đa 600 0 ± 0.2% theo FS ± 1 con số |
|||||||
| Ngõ vào Remote | 1 ngõ vào, 4 ~ 20 mA (1 ~ 5 V) | |||||||
| Ngõ vào cho CT | 1 hoặc 2 tiếp điểm | |||||||
| RS-485 | Phương thức truyền thông | Tiêu chuẩn EIA RS485, 2 dây – truyền bán song công | ||||||
| Số thiết bị kết nối | Tối đa 31 thiết bị (địa chỉ cho phép cài đặt 1~99) | |||||||
| Trình tự truyền thông | Không trình tự | |||||||
| Khoảng cách truyền thông | Trong phạm vi tối đaa 1.2km | |||||||
| Tốc độ truyền nhận | 4800, 9600, 14400, 19200, 38400, 57600 BPS | |||||||
| Start bit | 1 bit | |||||||
| Data length | 7 hoặc 8 bit | |||||||
| Parity bit | NONE, EVEN, ODD | |||||||
| Stop bit | 1 hoặc 2 bit | |||||||
| Protocol | PC-LINK STD, PC-LINK SUM, MODBUS -ASCII, MODBUS -RTU | |||||||
| Thời gian đáp ứng | Thời gian phản hồi thực tế = Thời gian xử lý + (thời gian phản hồi * 50ms) | |||||||
| Nguồn cấp | Điện áp nguồn | 100 – 240 VAC, 50 / 60 Hz | ||||||
| Khoảng cách điện áp đảo dòng cho phép | ±10 % | |||||||
| Trở kháng cách điện | Tối thiếu 20mOhm, 500 VDC | |||||||
| Độ bền điện | 3,000 VAC. 50/60 Hz trong 1 phút (giữa hai đầu terminal 1 và 2) |
|||||||
| Công suất | Max. 8.5 VA | Max. 8.5 VA | ||||||
| Độ ẩm và nhiệt độ hoạt động | -10 – 50 độ, 35 – 85% RH (không ngưng tụ) | |||||||
| Nhiệt độ bảo quản | -25 ~ 65 c | |||||||
| Chứng chỉ chất lượng |
|
|||||||
| ■ Electrostatic discharge (ESD) : KN61000 -4-2 ■ EFT(RS) : KN61000 -4-3 |
||||||||
| ■ SURGE : KN61000 -4-5 ■ Conductivity RF(CS) : KN61000 -4-6 |
||||||||
| IP66 (Mặt trước) |
||||||||
| Trọng lượng (g) | 202 | 120 | ||||||
Bảng chọn sản phẩm của bộ điều khiển nhiệt độ kỹ thuật số VX
| Mã hàng | Mô tả | |||||||||||||||
| 0 | (1) | (2) | (3) | (4) | (5) | (6) | (7) | (8) | (9) | (10) | (11) | |||||
| VX | □- | □ | □ | □ | □- | □ | □ | □ | □ | □ | □ | Màn hình hiển thị LCD | ||||
| Kích thước | 2 | 48(W) × 96(H) × 63(D) | mm | |||||||||||||
| 4 | 48(W) × 48(H) × 63(D) | mm | ||||||||||||||
| 7 | 72(W) × 72(H) × 63(D) | mm | ||||||||||||||
| 9 | 96(W) × 96(H) × 63(D) | mm | ||||||||||||||
| Cảm biến | U | Đa ngõ vào | ||||||||||||||
| OUT 1 (ngõ ra đ.khiển 1) |
M | Ngõ ra Relay | ||||||||||||||
| S | Ngõ ra xung – áp (áp d,ng vcri SSR drive) |
|||||||||||||||
| C | Ngõ ra dòng điện (ngõ ra 4 ~ 20 mA cho SCR drive) |
|||||||||||||||
| OUT 2 (ngõ ra đ.khiển 2) | N | Không | ||||||||||||||
| M | Ngõ ra Relay 100 – 240 VAC, 50 / 60 Hz |
|||||||||||||||
| Nguồn cấp | A | |||||||||||||||
|
Sub output | A1 | 1 ngõ ra Relay (tối thiểu nhất cho VX2) |
|||||||||||||
| A2 | 2 ngõ ra Relay (tối thiểu nhấtt cho VX2,7,9) |
|||||||||||||||
| A3 | 3 ngõ ra Relay (※* 1,* 2) | |||||||||||||||
| A4 | 4 ngõ ra Relay (※ *2) | |||||||||||||||
| Truyền thông | Không | |||||||||||||||
| C | Truyền thông RS-485 1 ngõ ra |
|||||||||||||||
| Ngõ ra chuyển đổi | Không | |||||||||||||||
| T | Ngõ ra chuyển đổi (4 ~ 20 mA) – 1 ngõ ra |
|||||||||||||||
| Ngõ vào số (DI) | Không | |||||||||||||||
| D2 | 2 ngõ vào số (DI 1 ~ 2) | |||||||||||||||
| D4 | 4 ngõ vào số (DI 1 ~ 4) | |||||||||||||||
| Ngõ vào dòng điện (CT) | Không | |||||||||||||||
| H1 | Ngõ vào dòng điện (CT) 1 ngõ vào |
|||||||||||||||
| H2 | Ngõ vào dòng điện (CT) 2 ngõ vào |
|||||||||||||||
| Ngõ vào Remote (REM) | Không | |||||||||||||||
| R | Ngõ vào Remote (4 ~ 20 mA hoặc 1 ~ 5 V ) – 1 ngõ vào |
|||||||||||||||






